鍋(guo)爐低(di)氮(dan)燃燒(shao)(shao)(shao)器產品屬于GAS粉末冶(ye)金(jin)(jin)系(xi)列,涵蓋(gai)了(le)870至4885千(qian)瓦的(de)(de)點火范圍。鍋(guo)爐低(di)氮(dan)燃燒(shao)(shao)(shao)器操作的(de)(de)特(te)點是漸(jian)進的(de)(de)兩階段操作或全調制(zhi)(zhi),具有(you)先進的(de)(de)調制(zhi)(zhi)控制(zhi)(zhi)系(xi)統 和探針。包括非常適合需(xu)要(yao)多功能(neng)控制(zhi)(zhi)的(de)(de)應用(過程、蒸(zheng)汽、制(zhi)(zhi)冷吸(xi)收)其中(zhong)一(yi)個變(bian)量需(xu)要(yao)產出(chu)。由于金(jin)(jin)屬板結構(gou),它(ta)們特(te)別適用于塑料(liao)材(cai)料(liao)的(de)(de)加工應用可能(neng)容易損壞(huai)或變(bian)形?簡化(hua)了(le)的(de)(de)維護是通(tong)過滑桿來實現的(de)(de)無需(xu)折 卸即可接近燃燒(shao)(shao)(shao)頭鍋(guo)爐的(de)(de)燃燒(shao)(shao)(shao)器,
該款產品的燃燒頭相關介紹:
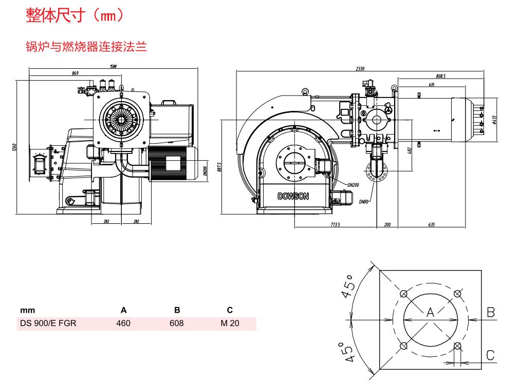
GAS9P/M系列不同型號燃(ran)燒器(qi)配(pei)有(you)兩種不同長(chang)度的燃(ran)燒頭(tou)。
燃燒頭(tou)長度的選擇取決(jue)于(yu)鍋爐型號及其前板厚度。
根據鍋(guo)爐(lu)型號將燃(ran)燒(shao)頭正確(que)裝入燃(ran)燒(shao)室。



























